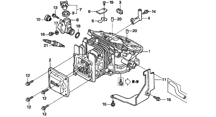
E-2 Головка цилиндра Honda BF2.3

Перечень деталей указан для большинства модификаций и года производства оборудования, включая официальные замены производителем артикула детали. В случае отсутствия детали на странице, сообщите нам, удобным Вам способом, для уточнения артикула детали и стоимости.